Juego completo de instalación para inodoro suspendido
- tecnología Rimless sin anillo de descarga
- mecanismo de cierre lento y suave del asiento SoftClose
- este juego de instalación también está disponible en otras variantes de pulsadores de descarga
El paquete incluye
- elemento de instalación empotrada Geberit Kombifix (110.302.00.5), con cisterna de descarga empotrada Sigma 12 cm
- kit de amortiguación del ruido (SP 156SET)
- inodoro suspendido con ducha de bidé Tece TECEone (9700200)
- asiento de WC de duroplástico Tece TECEone (9700600)
- pulsador de descarga doble Geberit Sigma30, cromo (115.883.KH.1)
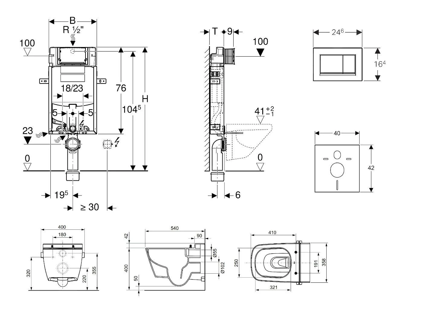
Elemento de montaje Kombifix para inodoro suspendido con cisterna de descarga empotrada Sigma 12 cm
Sirve para
- para paredes de mampostería
- para el montaje en instalaciones de tabiques parcialmente altos o de gran altura de interior
- para inodoros suspendidos con dimensiones de conexión según EN 33:2011
- para descarga simple, descarga doble o descarga Start/Stop
Características
- marco de montaje con pintura en polvo
- marco de montaje con cuatro ángulos de fijación
- codo de conexión para un montaje sin herramientas
- la fijación del codo de conexión puede instalarse frontalmente sin herramientas
- cisterna empotrada con control frontal
- cisterna empotrada aislada contra rocío
- para los ajustes de fábrica es posible una descarga adicional inmediata
- instalación y mantenimiento de la cisterna de descarga sin herramientas
- suministro de agua posterior o en el centro superior
- tapa para el montaje en bruto para el agujero de servicio protege contra la humedad y la suciedad
- tapa para el montaje en bruto para el agujero de servicio con la posibilidad de acortar
- equipado con un protector de tubería para la tubería de suministro para conectar los inodoros con ducha Geberit AquaClean
- con posibilidad de fijación para el suministro de electricidad
Datos técnicos
- presión de flujo: 10-1000 kPa
- temperatura máxima del agua: 25 °C
- volumen de descarga, ajustes de fábrica: 6 y 3 l
- volumen de descarga grande, rango de ajuste: 4.5/6/7.5 l
- volumen de descarga pequeña, rango de ajuste: 3-4 l
El paquete incluye
- suministro de agua R 1/2″, adecuado para MF, con válvula angular integrada y pulsador de descarga manual
- tapa para el montaje en bruto para el agujero de servicio
- conjunto de conexión para WC, Ø 90 mm
- codo de conexión Ø 90/110 mm
- 2 tapas de protección
- 2 varillas roscadas M12
- material de fiajción
Inodoro con ducha con tecnología Rimless
- material: cerámica sanitaria
- dimensiones: 400 x 540 x 392 mm
- sin anillo de descarga Rimless
- ducha bidé integrada con control en el lateral del inodoro
- regulador para controlar la capacidad y la temperatura del agua
- al girar el regulador, el brazo de la ducha se extiende automáticamente
- sin depósito de agua, sin descarga eléctrica, sin caldera
- rango de temperatura: 10-38 °C
- presión de agua: min. 1 bar (0,1 MPa)
- consumo de agua: hasta 5,6 l/min
- fácil instalación y mantenimiento
- el sistema de seguridad integrado en TECEone cumple los requisitos de la norma EN 1717, por lo que el inodoro puede conectarse directamente al suministro central de agua caliente y fría
Asiento de WC con tapa, Soft-Close
- tratamiento de superficie: blanco
- material: duroplástico
- forma ergonómica
- fijación mediante bisagras de acero con mecanismo Soft-Close
- el montaje ya está instalado e inseparablemente unido a la cerámica
- el asiento es desmontable, lo que facilita la limpieza
Pulsador de descarga Sigma30, para descarga doble
- dimensiones: 246 x 164 mm
- material: plástico
- color: cromo
- para control de descarga para cisternas empotradas Geberit Sigma
- marco de fijación
- 2 soportes de fijación
- 2 barras de pulsador
- insonorización, montaje rápido sin herramientas
Este producto puede entregarse sin el embalaje original. El objetivo es proteger el producto para que no se dañe durante el transporte.







































Valoraciones
No hay valoraciones aún.